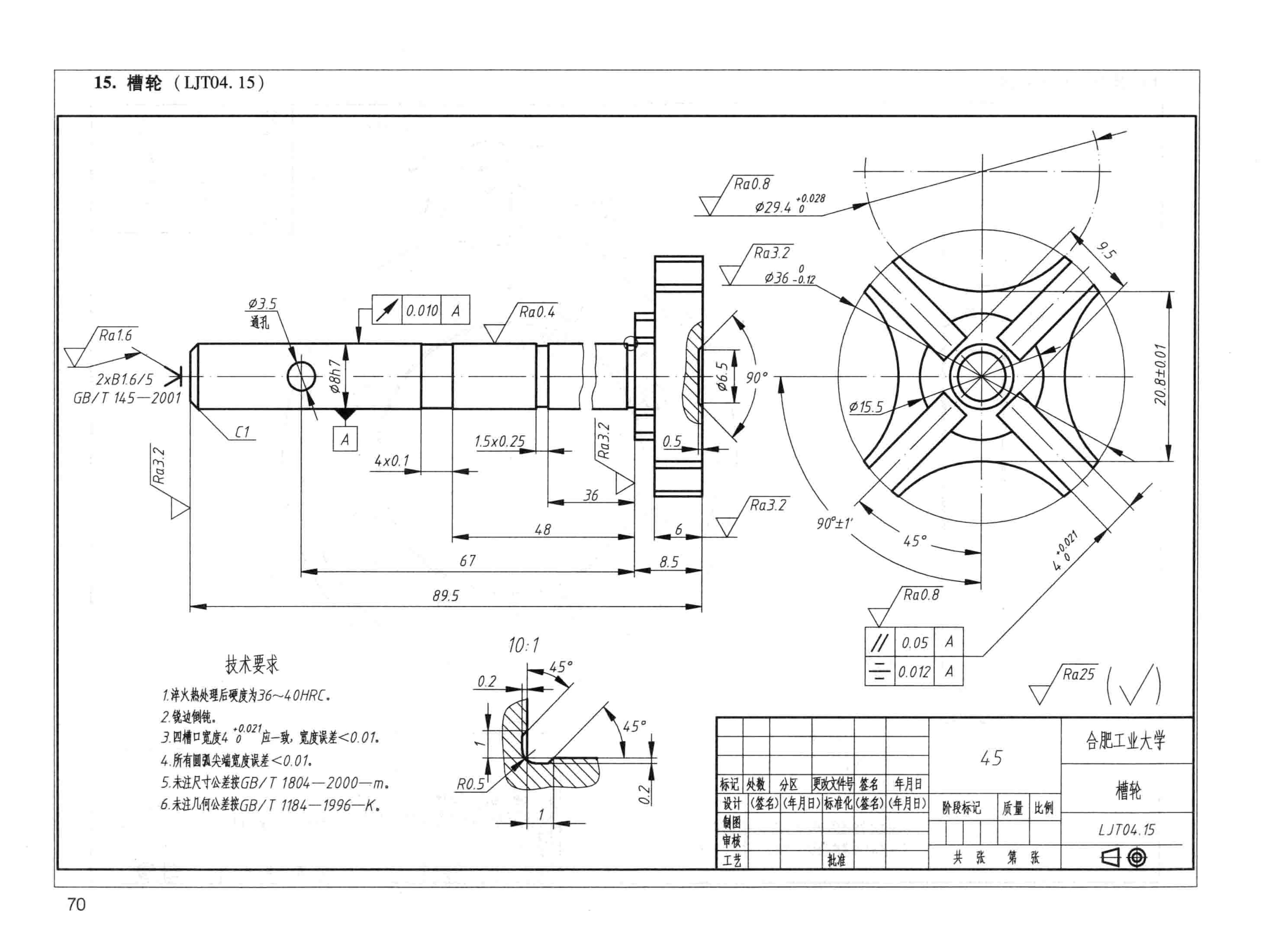
15.槽轮.png

  • 素材大小:2.81MB
  • 关键字:15.槽轮.png
  • 素材作者:伍凤
  • 难度:一般
  • 素材来源:原创
  • 所属课程:机械产品检测与质量控制
  • 所属专业:工业工程技术
  • 单位:湖南机电职业技术学院
  • 知识点:轮盘类零件图
  • 应用类型:工作任务
  • 资源类型:图形/图像类
  • 创建时间:2023-04-17

相关课程

评论

每日收藏

+0.5 知币